Характеристики
Площадь поверхности теплообмена, м2
—
0.475
По запросу
Нашли дешевле?
Под заказ
Наши менеджеры обязательно свяжутся с вами и уточнят условия заказа
Описание
Технические характеристики
| Наименование | Рабочий объем, м3 | Площадь поверхности теплообмена, м2 |
Давление рабочее пара и нагр.воды, МПа |
Давление пробное в корпусе и змеевике, МПа | Макс. Температура в змеевике, °С | макс. Температра в корпусе, °С | Число трубок змеевика, шт. | Масса, кг |
| СТД 3073 | 0,44 | 0,475 | 0,5 | 0,8 | 158 | 75 | 2 | 210 |
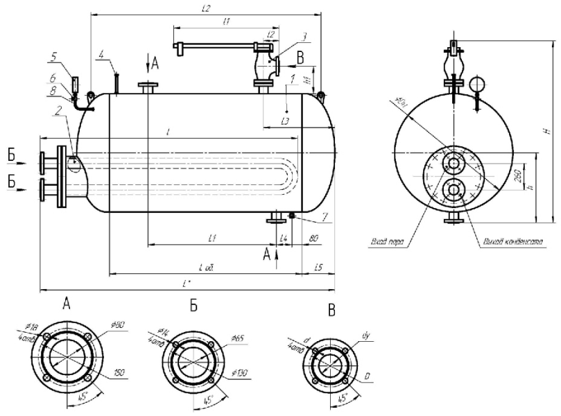
Габаритные размеры

| Наименование | DH | dy* | D* | d* | L* | Lоб | L1 | L2 | L3 | L4 | L5 | I | I1 | I2 | h | H1 | H |
| СТД 3073 | 712 | 712 | 110 | 14 | 1535 | 860 | 440 | 1210 | 406 | 120 | 206 | 1308 | 745 | 125 | 466 | 276 | 1250 |
