Описание
1 КсВ 125-140-1 - секционный насос, состоящий из двух корпусов и имеющий вертикальное расположение вала. Оборудован приводным двигателем мощностью 90 кВт. Работает от сети переменного тока с напряжением 380 В. Корпус изготавливается в заводских условиях из чугуна, а рабочие колеса из качественной марки стали.
Кавитационный запас допускается не более 1 м. Монтируется сравнительно просто, не требует особых приспособлений. Имеет двойную сальниковую набивку, которая достаточно быстро меняется. Рассчитан на длительную работу при максимальных нагрузках, поэтому обладает удивительно долгим сроком эксплуатации.
Технические характеристики
Подача, м3/ч: 125 Напор, м: 140 Давление на входе в насос, МПа (кгс/см2), не более: 0,69(7) Мощность электродвигателя, кВт: 90 Частота вращения, с-1 (об/мин): 50(3000) Род тока: переменный Напряжение, В: 380 Частота тока, Гц: 50 Масса агрегата, кг: 1100Характеристика насоса
Характеристика агрегата 1КсВ 125-140-1.
Частота вращения 49 с-1 (n=2950об/мин)
Жидкость-вода, плотность 1000 кг/м3
*-данные для насоса
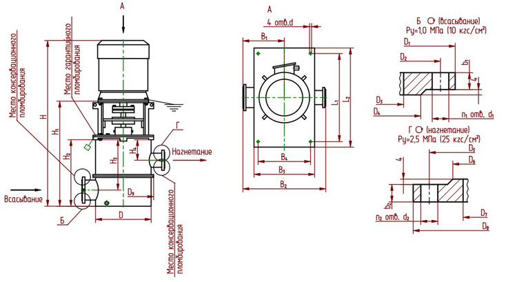
Габаритные размеры и параметры агрегатов
Габаритные размеры и параметры агрегатов 1КсВ 125-140-1.
| Типоразмер насоса | Типоразмер двигателя | Мощность, кВт | Размеры, мм | |||||||||||||||||||||||||||
| H | H1 | H2 | H3 | H4 | B1 | B2 | B3 | B4 | L1 | L2 | D | D1 | D2 | D3 | D4 | D5 | D6 | D7 | D8 | D9 | b1 | b2 | d | d1 | d2 | n1 | n2 | |||
| 1КсВ 125-140-1 | 5АМ250М2 | 90 | 2270 | 1451 | 872 | 687±1 | 350±0,5 | 350 | 700 | 650 | 500 | 600 | 740 | 484 | 335 | 295 | 200 | 268 | 250 | 212 | 150 | 300 | 590 | 22 | 27 | 27 | 22 | 26 | 8 | 8 |
